Osastot
Johtokori Caba
Johtojen lisäksi koriin voi laittaa painavampia esineitä kuten jatkojohtoja ja muuntajia.
Lataa PDF-esite
- Helpot tyhjennys- ja uudelleentäyttötavat vähentävät kyyristelyä epämukavassa asennossa pöydän alla.
Valinnan mukaan voi
- korin ottaa lattialle
- käyttää hyväksi matalaa etureunaa
- Kun johtokori on asennettu paikoilleen pöydän alle, sitä ei tarvitse ruuvata irti ja kiinni tyhjennystä ja uudelleentäyttöä varten.
- Johtokoritoimitus sisältää kaikki tarvittavat kiinnikkeet, koukut ja ruuvit.
Käyttövinkki
- Johtokorin kanssa sopii hyvin johtopidike Holdirex johtojen edelleenvetoon johtokorista eteenpäin.
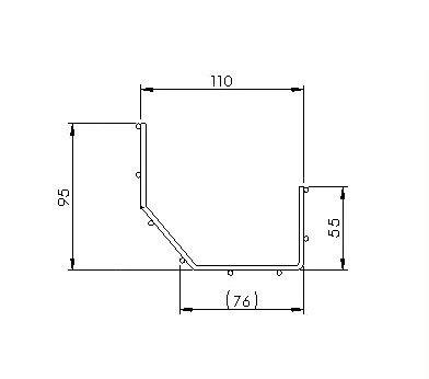
Mitat: 800 x 110 x 95mm
15011-10 Johtokori Caba, hopea - 800mm





